Notice: Undefined variable: ub in /var/www/www-root/data/www/boritorg.by/application/classess/Application.php on line 257

Notice: Undefined variable: ub in /var/www/www-root/data/www/boritorg.by/application/classess/Application.php on line 268
Швеллер стальной тонкостенный высокопрочный 18П (ТУ У27.1-31632138-1381:2010), Россия
0
Телефоны
+375 (29) 687-27-93 Отдел продаж
+375 (44) 774 32 03
Отдел продаж
+375 (33) 674 03 70 Отдел продаж
+375 (29) 151 40 24
Отдел продаж (МЕТАЛЛПРОФИЛЬ)
+375 (177) 74 27 77 Отдел продаж
+375 (177) 93 17 77 Отдел продаж
+375(177)74 27 47 Отдел продаж
+375(177) 74 32 03 Отдел закупок
+375(177)93 07 07 Бухгалтерия
+375 (29) 687-27-93
boritorg@list.ru

Швеллер стальной тонкостенный высокопрочный 18П (ТУ У27.1-31632138-1381:2010), Россия

Швеллер стальной 18П, Гост 27772-2021, Россия
Арт. 08673
3 250.00 BYN
54.99 руб / м
В наличии
В корзину

Цены на товары несут информационный характер и могут отличаться от фактических. Окончательную стоимость заказа уточняйте у менеджера по продажам

Швеллер стальной 18П, Гост 27772-2021, Россия

 18П - профиль серии с «параллельными гранями полок», горячекатаного метода производства.
  • Стандарт: ГОСТ 8240/ 27772-2021;
  • Вес погонного метра: 16,30 кг;
  • Площадь поперечного сечения (F): 20,70 cm2;

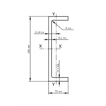
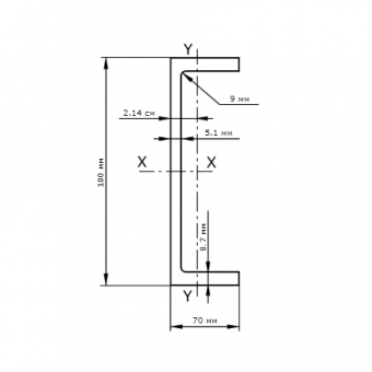
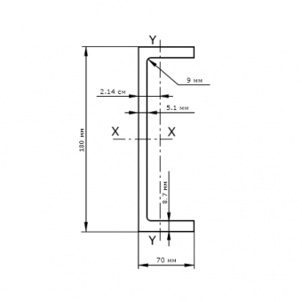
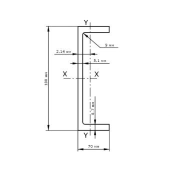
Размеры профиля

Участок профиля Значение
Высота швеллера (h): 180 mm
Ширина полки (b): 70 mm
Толщина стенки (s): 5,1 mm
Толщина полки (t): 8,7 mm
Радиус внутреннего закругления (R): 9,0 mm
Радиус закругления полки (r): 5,0 mm
Расстояние от оси Y - Y до наружной грани стенки (X0): 2,14 cm

Допустимые отклонения

Участок профиля Предельное отклонение
Высота швеллера (h): ±2,0 mm
Ширина полки (b): ±2,0 mm
Толщина стенки (s): не контролируется
Толщина полки (t): -0,5 mm
Перекос полки (Д): 1,0 mm
Перегиб стенки (f): 1,0 mm

Величины и значения в осях

Величины профиля в оси X Значение
Момент инерции (Ix): 1 090,0 cm4
Момент сопротивления (Wx): 121,0 cm3
Радиус инерции (ix): 7,26 cm
Статический момент полусечения (Sx): 70,00 cm3
 
Величины профиля в оси Y Значение
Момент инерции (Iy): 100,00 cm4
Момент сопротивления (Wy): 20,60 cm3
Радиус инерции (iy): 2,20 cm

 Швеллер стальной 18П можно купить в Борисове в ОДО "Бориторг плюс" оптом и в розницу по низкой цене. Доставка по Борисову и Беларуси, а также самовывоз.