0
Телефоны
+375 (29) 687-27-93 Отдел продаж
+375 (44) 774 32 03
Отдел продаж
+375 (33) 674 03 70 Отдел продаж
+375 (29) 151 40 24
Отдел продаж (МЕТАЛЛПРОФИЛЬ)
+375 (177) 74 27 77 Отдел продаж
+375 (177) 93 17 77 Отдел продаж
+375(177)74 27 47 Отдел продаж
+375(177) 74 32 03 Отдел закупок
+375(177)93 07 07 Бухгалтерия
+375 (29) 687-27-93
boritorg@list.ru

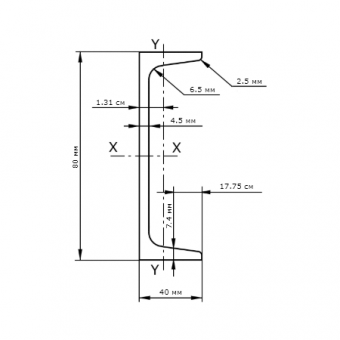
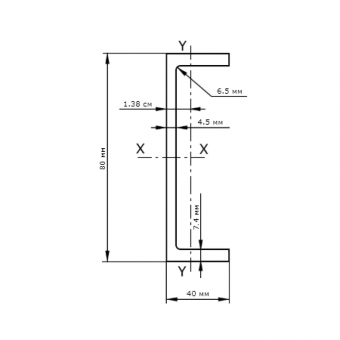
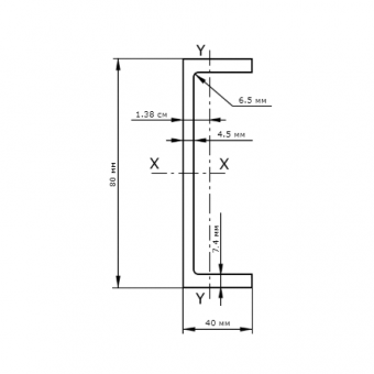
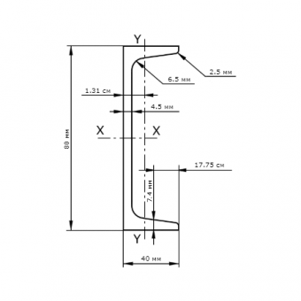
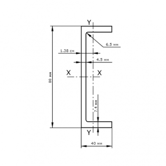
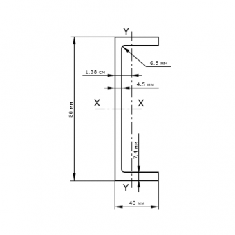
Швеллер стальной г/к 8

Швеллер стальной г/к 8
Арт. 08493
3 350.00 BYN
23.92 руб / м
В наличии
В корзину

Цены на товары несут информационный характер и могут отличаться от фактических. Окончательную стоимость заказа уточняйте у менеджера по продажам

 Швеллер стальной — это вид фасонного металлопроката, представляющий собой металлическую балку с поперечным сечением в виде буквы «П».

Разновидности:

  • Швеллер горячекатаный – изготавливается методом горячего проката стали. Данный тип получил наибольшее распространение за счет своей жесткости.
  • Швеллер гнутый – изготавливается путем сгибания на специальном профилегибочном станке заготовки в виде полосы. Внешне он отличается тупыми закругленными углами и имеет меньшую толщину металла, а значит и меньший вес.

 В строительной отрасли он получил широкое распространение за счет своей жесткости: его зачастую применяют как несущую конструкцию: при сборке ангаров, каркасов зданий, перекрытии между этажами. Его используют как опорную конструкцию при установке рекламных стоек. Металлический швеллер широко используется в машиностроении, станкостроении, автомобилестроении, при строительстве дорог и мостов.

 Швеллер необходим для того, чтобы сделать конструкцию более жесткой и устойчивой, он хорошо работает на изгиб, способен воспринимать всевозможные нагрузки. Потому из-за своей большой несущей способности он и используется практически во всех отраслях промышленности.

 ОДО "Бориторг плюс" предлагает швеллер стальной в Борисове оптом и в розницу по низкой цене любого диаметра, размера. Доставка по Борисову и Беларуси, а также самовывоз. Прямое сотрудничество с заводами производителями! Резка швеллера в размер необходимый для транспортировки и дальнейшего использования. Механическая и ручная отгрузка в любой транспорт заказчика. Лучшие цены в регионе + СКИДКА на большой объём.

Вы просматривали